Looking For Anything Specific?

Toro Zero Turn Starter Solenoid / Fast shipping and great service!

Toro Zero Turn Starter Solenoid / Fast shipping and great service!. It is normally attached directly to the starter motor which it controls. Posted by rusty on jul 14, want answer 0. Aftermarket versions are often for use with both 5/16 and 1/4 eyelet cable terminals. Find information about toro 740207 starter solenoid and buy online below. Once the safety connections are met, the relay will activate completing the circuit to the starter solenoid.

The starter engages but engine won't turn over. When inspecting, carry out wiring firstly turn on the switch, gradually increase the voltage, when the multimeter (resistance scale) indicates a resistance of zero, the indicated value of voltmeter. Timecutter allows you to create both a beautiful lawn and still have plenty of time to host backyard pickup games, barbeques. Starter solenoid replacement, starter solenoid removal. Replaced starter solenoid with a new from hoye.

Starting Procedure For Toro Zero Turn Mower Youtube
Starting Procedure For Toro Zero Turn Mower Youtube from i.ytimg.com
If your solenoid is a four wire solenoid, check both small wire terminals as one is ground and the other is power from the ignition. The starter engages but engine won't turn over. Aftermarket versions are often for use with both 5/16 and 1/4 eyelet cable terminals. I'm going to pull the kickplate on the dash to get at the wiring under the dash to see if anything weird in there. Toro actually makes quite nice residential grade zero turn and they make even better commercial grade ones. Toro solenoids available online and ready to ship direct to your door. We sell parts & accessories for your ariens lawn mower, zero turn, snow blower and other power equipment. Oh and just to let everyone know what kind of toro it is.

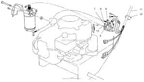
Functions as an electronic switch.

Toro 24.5hp v twin engine 708cc zero turn mower for tight spaces includes myride suspension system smart speed control system dual hydrostatic transmission reduces mowing times by 40% mow heights 3.8cm to 11.4cm. This toro zero turn mower, because of its engine size and construction can also tow and hitch accessories to the rear making it the most versatile among all the best zero turn mowers. I have a zero turn toro timecutter mower model number74637. Make sure fuel is getting to the carb. Felt the solenoid while turning the key and it clicked but failed to transmit current to the starter. It is normally attached directly to the starter motor which it controls. Then, tighten the blade mounting bolt with the wrench, and inspect the blade spring disc washers for damage. Verified voltage at the starter solenoid. Green wire … read more. Turn the machine off and remove the key. I'm going to pull the kickplate on the dash to get at the wiring under the dash to see if anything weird in there. Toro solenoids available online and ready to ship direct to your door. Replaced starter solenoid with a new from hoye.

Installed the new solenoid and was up and running within minutes. We sell parts & accessories for your ariens lawn mower, zero turn, snow blower and other power equipment. Have a toro timecutter z380 that won't start just clicks. I have a zero turn toro timecutter mower model number74637. Fuel is fresh & ethanol free.

Yard Garden Outdoor Living Solenoid Fits 42 52 Toro 117 1197 Timecutter 5060 Z5035 Ss4225 Zero Turn Mower Lawn Mowers
Yard Garden Outdoor Living Solenoid Fits 42 52 Toro 117 1197 Timecutter 5060 Z5035 Ss4225 Zero Turn Mower Lawn Mowers from www.picclickimg.com
Not sure what to try next. Avoid unexpected starting of engine. Also if theres a fuel solenoid on the carb, make sure its working. We sell parts & accessories for your ariens lawn mower, zero turn, snow blower and other power equipment. Fast shipping and great service! Installed the new solenoid and was up and running within minutes. Toro solenoids available online and ready to ship direct to your door. My 42 toro zero turn.

My 42 toro zero turn.

Looking to fix your toro? Always turn off the engine and disconnect the spark plug wire(s) before cleaning, adjusting, or repair. Other notable mentions of this toro zero turn mower include a 3 gallon gas tank and 10 gauge steel frame. Its primary function is as the actuating coil of a contactor (a relay designed for large electric currents). Battery good, replaced starter solenoid and starter. It is normally attached directly to the starter motor which it controls. I have a 2010 toro 42 zero turn (model #74360) that won't start. Installed the new solenoid and was up and running within minutes. I have a zero turn toro timecutter mower model number74637. Have a toro timecutter z380 that won't start just clicks. Replaced starter solenoid with a new from hoye. The starter solenoid is very weak on them. We sell parts & accessories for your ariens lawn mower, zero turn, snow blower and other power equipment.

We have the toro solenoids you need with fast shipping and low prices. Once the safety connections are met, the relay will activate completing the circuit to the starter solenoid. Make sure fuel is getting to the carb. I've had my zero turn for about a week now and the previous owner that i purchased the zero turn from gave me some. Cheap relays, buy quality home improvement directly from china suppliers:1pc new starter solenoid relay switch contactor switch engine 3 terminals replace for mtd lawnmower enjoy free shipping worldwide!

Stens New 435 103 Starter Solenoid For Snapper 75622 7075622sm 7075622 7018604 Husqvarna 532145673 532109946 Ayp 109946 435 103 The Home Depot
Stens New 435 103 Starter Solenoid For Snapper 75622 7075622sm 7075622 7018604 Husqvarna 532145673 532109946 Ayp 109946 435 103 The Home Depot from images.thdstatic.com
Oh and just to let everyone know what kind of toro it is. Fuel is fresh & ethanol free. New starter for toro zero turn mower timecutter z530 zd530 with honda 530cc. The residential ones start at 2500 if you're lucky. It is normally attached directly to the starter motor which it controls. This toro zero turn mower, because of its engine size and construction can also tow and hitch accessories to the rear making it the most versatile among all the best zero turn mowers. A starter solenoid is an electromagnet which is actuated to engage the starter motor of an internal combustion engine. If your solenoid is a four wire solenoid, check both small wire terminals as one is ground and the other is power from the ignition.

Installed the new solenoid and was up and running within minutes.

A starter solenoid is an electromagnet which is actuated to engage the starter motor of an internal combustion engine. (2) starter solenoid working performance inspection: We sell high quality toro starter solenoids and other parts online. Not sure what to try next. Make sure fuel is getting to the carb. Turn the machine off and remove the key. Fuel is fresh & ethanol free. When inspecting, carry out wiring firstly turn on the switch, gradually increase the voltage, when the multimeter (resistance scale) indicates a resistance of zero, the indicated value of voltmeter. The residential ones start at 2500 if you're lucky. New starter for toro zero turn mower timecutter z530 zd530 with honda 530cc. Toro 24.5hp v twin engine 708cc zero turn mower for tight spaces includes myride suspension system smart speed control system dual hydrostatic transmission reduces mowing times by 40% mow heights 3.8cm to 11.4cm. Avoid unexpected starting of engine. Green wire … read more.

Sounds like a fuel issue toro zero turn starter. When inspecting, carry out wiring firstly turn on the switch, gradually increase the voltage, when the multimeter (resistance scale) indicates a resistance of zero, the indicated value of voltmeter.

Posting Komentar

0 Komentar